主要結構特點
1、本閥由閥門本體、驅動裝置,夾緊裝置等組成。
2、閥門本體采用三點式結構,結構緊湊、整體剛性好、重量好。
3、閥體、閥板密封副采用不銹鋼與橡膠組成的柔性密封副,密封可靠,密封圈采用氟橡膠,耐高溫,使用壽命長。
4、夾緊機構采用絲桿螺母式,夾緊、松開動作迅速,自鎖性好。
5、采用防爆型電機,無論在室內還是室外,均能保證閥門安全可靠運作。
6、本盲板閥可現場手動操作,也可遠距離順控。
7、本盲板閥也可單獨設計電氣控制箱操作控制裝置,本機出廠不配電氣控制箱,用戶如需另訂。
工作原理
1、由閥開啟到閥關閉:
夾緊電機動作,帶動絲桿作逆時針轉動,閥體松開到位(指標燈顯示),驅動電機動作,帶動閘板作逆時針轉動到位,閘板關閉到位(指示燈顯示),夾緊電機動作,帶動絲桿作順時針轉動,閥體夾緊到位(指示燈顯示)完成閥門由開啟到關閉的全過程。
2、閥門由關閉到開啟:
夾緊電機動作,帶動絲桿作逆時針轉動,閥體松開到位(指標燈顯示),驅動電機動作,帶動閘板作順時針轉動,閘板開啟到位,(指示燈顯示)完成閥門由關閉到開啟的全過程。
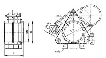
主要外形尺寸
DN | D | D1 | b | n-φd | L |
300 | 440 | 395 | 22 | 12-φ22 | 580 |
350 | 490 | 445 | 24 | 12-φ22 | 580 |
400 | 540 | 495 | 24 | 16-φ22 | 680 |
450 | 595 | 550 | 24 | 16-φ22 | 680 |
500 | 645 | 600 | 24 | 16-φ22 | 680 |
600 | 755 | 705 | 26 | 20-φ26 | 680 |
700 | 860 | 810 | 26 | 24-φ26 | 680 |
800 | 975 | 920 | 26 | 24-φ30 | 680 |
900 | 1075 | 1020 | 26 | 24-φ30 | 710 |
1000 | 1175 | 1120 | 26 | 28-φ30 | 710 |
1100 | 1275 | 1220 | 26 | 28-φ30 | 710 |
1200 | 1375 | 1320 | 26 | 32-φ30 | 730 |
1300 | 1475 | 1420 | 26 | 32-φ30 | 830 |
1400 | 1575 | 1520 | 26 | 36-φ30 | 830 |
1500 | 1675 | 1620 | 26 | 36-φ30 | 830 |
1600 | 1790 | 1730 | 26 | 40-φ30 | 830 |